


密封式電位器RM150-V1電位器性能:
阻值范圍(Ohms) : 500~2M
阻值偏差: ±20%
阻值變化特征: B
額定功率 : 0.3W(50°);0.1W(70°)
最高使用電壓: 50VAC 20VDC
終端電阻: R<50K 20ΩMAX
R≥50K 50ΩMAX
密封式電位器RM150-V1機械性能:
旋轉(zhuǎn)角度: 265°± 5°
起動力矩: 3~20 mN?m
止檔強度:2kgf.cm
機械耐久性:10000cycles
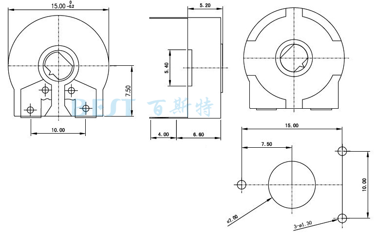
密封式電位器RM150-V1參考圖紙
單位:mm


Copyright © 廣東精密龍電子科技有限公司 版權(quán)所有 粵ICP備17035144號 粵公網(wǎng)安備44130202001184號
全國服務電話:0755-83205533 傳真:0755-83761155
公司地址:深圳市龍崗區(qū)龍崗大道8288號深圳大運軟件小鎮(zhèn)45棟2樓

